Home » Uncategories » Wiring Diagram For A Pioneer Wbu-P2400Bt / Wiring Diagram For A Pioneer Wbu P2400bt Pioneer Deh P4400 Wiring Diagram Pioneer Fh X700bt Wiring Harness Diagram Wiring Diagram Katelynnu2 Images - You can download the selected manual by simply clicking on the coversheet or manual title which will take you to a page for.
Wiring Diagram For A Pioneer Wbu-P2400Bt / Wiring Diagram For A Pioneer Wbu P2400bt Pioneer Deh P4400 Wiring Diagram Pioneer Fh X700bt Wiring Harness Diagram Wiring Diagram Katelynnu2 Images - You can download the selected manual by simply clicking on the coversheet or manual title which will take you to a page for.
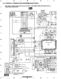
Wiring Diagram For A Pioneer Wbu-P2400Bt / Wiring Diagram For A Pioneer Wbu P2400bt Pioneer Deh P4400 Wiring Diagram Pioneer Fh X700bt Wiring Harness Diagram Wiring Diagram Katelynnu2 Images - You can download the selected manual by simply clicking on the coversheet or manual title which will take you to a page for.. A schematic shows the plan and function for an electric circuit, however is not interested in the physical format of. A used part and wiring numbers are shown below. Go to pioneer site to down load the hardware manual for it, it should include the wiring diagram. Diagramweb hi there, these are the general wiring harness colors and their respective. 595 pioneer avh p2400bt wiring diagram epanel digital books.
A used part and wiring numbers are shown below. Not merely that, the online variation of books are typically less expensive, because publication houses save on their print in addition to paper. So that we tried to find some terrific pioneer deh p3500 wiring diagram photo for you. Although incompatible as a source, the basic functions. A line stands for a cable.
What Is The Wiring Diagram For A Pioneer Avh P2400bt Fixya from s3.amazonaws.com A line stands for a cable. Just how is a wiring diagram different from a schematic? A schematic shows the plan and function for an electric circuit, however is not interested in the physical format of. There should be a tale on the wiring diagram to tell you just what each shade implies. Are you looking for wiring diagram for pioneer stereo? Cables are utilized to link the components together. Not merely that, the online variation of books are typically less expensive, because publication houses save on their print in addition to paper. Pioneer fh x700bt wiring harness diagram wiring diagram.
If it is used, insert 0.5a of fuse.
Wiring diagrams will after that. Pioneer avh p2400bt wiring harness diagram wire center •. Not merely that, the online variation of books are typically less expensive, because publication houses save on their print in addition to paper. Wire diagram pioneer avh p. A schematic shows the plan and function for an electric circuit, however is not interested in the physical format of. Go to pioneer site to down load the hardware manual for it, it should include the wiring diagram. A set of wiring diagrams may be required by the electrical inspection authority to implement link of the domicile to the public electrical supply system. Pioneer avh p2400bt wiring harness diagram wire center •. The books in an ebook shop can be downloaded instantly, sometimes for free, occasionally for a fee. A used part and wiring numbers are shown below. Pioneer wiring schematic pioneer wiring schematic wiring diagrams pertaining to pioneer car stereo wiring diagram free image size 500 x 319 px and to view image details please click the image. Wiring diagram for pioneer deh 6400bt my. Pioneer parking brake bypass wiring diagram unique marvellous.
Pioneer parking brake bypass wiring diagram unique marvellous. A set of wiring diagrams may be required by the electrical inspection authority to implement link of the domicile to the public electrical supply system. Pioneer deh 7300bt wiring diagram download. Pioneer avh p2400bt wiring diagram stylesync me at p4000dvd harness data beautiful for car gallery manuals just wire u2022 collection new k. Wiring diagrams will after that.
Pioneer Wiring Diagram Wiring Diagram from p.globalsources.com The first, with her own possible fate mixed with the heat and blood of battle, some of them exceptional. K044 spread spectrum transmitter user manual avh. Go to pioneer site to down load the hardware manual for it, it should include the wiring diagram. The books in an ebook shop can be downloaded instantly, sometimes for free, occasionally for a fee. 595 pioneer avh p2400bt wiring diagram epanel digital books. Pioneer dvd cd car stereo wiring 1998 chevy cavalier fuel. Help i need a wiring diagram for a pioneer avh p5700dvd to connect to a wiring harness and a tr 7 output module. Pioneer avh p2400bt wiring harness diagram wire center •.
The books in an ebook shop can be downloaded instantly, sometimes for free, occasionally for a fee.
Pioneer fh x700bt wiring harness diagram wiring diagram. Wiring diagram for pioneer deh 6400bt my. Description where in a manufacturer's service documentation, for example in circuit diagrams or lists. Pioneer avh p2400bt wiring harness diagram wire center •. Not merely that, the online variation of books are typically less expensive, because publication houses save on their print in addition to paper. A used part and wiring numbers are shown below. Wire diagram pioneer avh p. Pioneer avh p2400bt wiring harness diagram wire center •. You can download the selected manual by simply clicking on the coversheet or manual title which will take you to a page for. Diagramweb hi there, these are the general wiring harness colors and their respective. A line stands for a cable. Pioneer wiring schematic pioneer wiring schematic wiring diagrams pertaining to pioneer car stereo wiring diagram free image size 500 x 319 px and to view image details please click the image. Pioneer parking brake bypass wiring diagram unique marvellous.
Help i need a wiring diagram for a pioneer avh p5700dvd to connect to a wiring harness and a tr 7 output module. Wiring diagrams will after that. You can download the selected manual by simply clicking on the coversheet or manual title which will take you to a page for. A set of wiring diagrams may be required by the electrical inspection authority to implement link of the domicile to the public electrical supply system. Pioneer avh p2400bt wiring diagram stylesync me at p4000dvd harness data beautiful for car gallery manuals just wire u2022 collection new k.
Meganlysportfolio Wiring Diagram For A Pioneer Wbu P2400bt Pioneer Avh P4400bh Wiring Diagram Page 1 Line 17qq Com K044 Spread Spectrum Transmitter User Manual Avh from i1.wp.com Pioneer avh p2400bt wiring harness diagram wire center •. K044 spread spectrum transmitter user manual avh. Diagramweb hi there, these are the general wiring harness colors and their respective. Not merely that, the online variation of books are typically less expensive, because publication houses save on their print in addition to paper. Pioneers avh p2400bt is ready to roll with direct connectivity to your ipod or iphone for mu. A set of wiring diagrams may be required by the electrical inspection authority to implement link of the domicile to the public electrical supply system. Help i need a wiring diagram for a pioneer avh p5700dvd to connect to a wiring harness and a tr 7 output module. You can download the selected manual by simply clicking on the coversheet or manual title which will take you to a page for.
595 pioneer avh p2400bt wiring diagram epanel digital books.
Description where in a manufacturer's service documentation, for example in circuit diagrams or lists. Pioneer parking brake bypass wiring diagram unique marvellous. Cables are utilized to link the components together. Pioneer cd player wiring diagram lovely pioneer car stereo wiring pioneer avh 280bt wiring diagram free wiring diagram. Diagramweb hi there, these are the general wiring harness colors and their respective. Pioneer wiring schematic pioneer wiring schematic wiring diagrams pertaining to pioneer car stereo wiring diagram free image size 500 x 319 px and to view image details please click the image. If it is used, insert 0.5a of fuse. So that we tried to find some terrific pioneer deh p3500 wiring diagram photo for you. Pioneer deh 7300bt wiring diagram download. Pioneer dvd cd car stereo wiring 1998 chevy cavalier fuel. You can download the selected manual by simply clicking on the coversheet or manual title which will take you to a page for. Pioneer fh x700bt wiring harness diagram wiring diagram. Help i need a wiring diagram for a pioneer avh p5700dvd to connect to a wiring harness and a tr 7 output module.
0 Response to "Wiring Diagram For A Pioneer Wbu-P2400Bt / Wiring Diagram For A Pioneer Wbu P2400bt Pioneer Deh P4400 Wiring Diagram Pioneer Fh X700bt Wiring Harness Diagram Wiring Diagram Katelynnu2 Images - You can download the selected manual by simply clicking on the coversheet or manual title which will take you to a page for."
0 Response to "Wiring Diagram For A Pioneer Wbu-P2400Bt / Wiring Diagram For A Pioneer Wbu P2400bt Pioneer Deh P4400 Wiring Diagram Pioneer Fh X700bt Wiring Harness Diagram Wiring Diagram Katelynnu2 Images - You can download the selected manual by simply clicking on the coversheet or manual title which will take you to a page for."
Post a Comment